- Технические характеристики и другая информация предоставляются для справки.
- Чертежи и изображения представлены для ознакомления
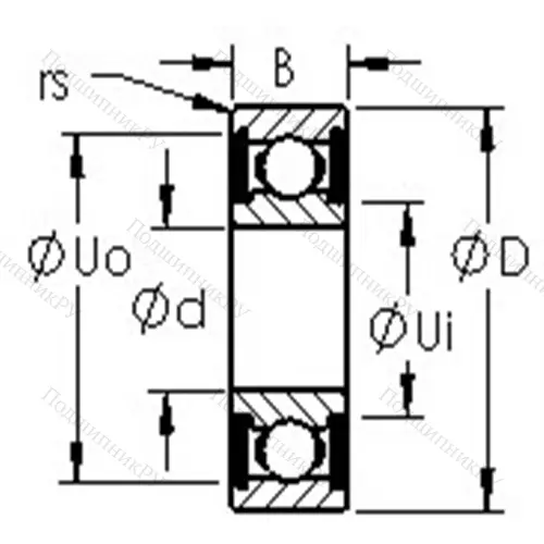
Подшипники шариковые радиальные метрическая серия из нержавеющей стали 687H-2RS
Подшипники шариковые радиальные метрическая серия из нержавеющей стали 687H-2RS его строение включает в себя наружную шину, тела качения, сепаратор из штампованной стали, латуни или полиамида, центрирующийся по шарикам либо бортикам внешнего кольца. Устройство является неразборным и полностью готово к монтажу. Существуют также обслуживаемые и необслуживаемые варианты (в первом случае в корпусе детали имеется специальное смазочное отверстие, через которое происходит подача смазки, расходуемой в процессе работы). Закрытые модели дополнительно усилены уплотняющими шайбами или уплотнениями и не требуют обслуживания. В изделии также могут присутствовать узкие, широкие и средние зазоры.
Каковы характерные особенности Подшипники шариковые радиальные метрическая серия из нержавеющей стали 687H-2RS?
- Рассчитан на восприятие серьезных аксиальных и незначительных осевых нагрузок.
- Обладает низким коэффициентом трения, за счет чего возможно вращение на максимально допустимых скоростях и более длительный срок эксплуатации в сравнении с аналогами.
- Отличается высокой грузоподъемностью и склонностью к самоцентрированию, что дает возможность выравнивать перекосы во время монтажа.
Приобретайте выгодно Подшипники шариковые радиальные метрическая серия из нержавеющей стали 687H-2RS ГОСТ или его (аналоги ISO), а также иную продукцию от мировых промышленных брендов FAG, KOYO, NSK, SKF, SNR на нашем веб-сайте!
Технические характеристики
Обозначение : 687H-2RS
Размеры, мм : 7x14x5
Производитель : AST
Диаметр внутренний, мм : 7
Диаметр наружный, мм : 14
Высота, мм : 5
Технические данные из каталога производителя :
(размеры в мм)
Bearing Type - Sealed
Bore Dia (d) - 7.0000
Outer Dia (D) - 14.0000
Width (B) - 5.0000
Radius (min) (rs) - 0.150
Dynamic Load Rating (Cr) - 997
Static Load Rating (Cor) - 410
Max Speed (Grease) (X1000 RPM) - 40
Max Speed (Oil) (X1000 RPM) - 50
Max. Shaft Shoulder Dia. Inner (Ui) - 8.5
Min. Housing Shoulder Dia., Outer (Uo) - 12.700
Ball Qty - 9
Ball Dia (Dw) - 2.0000
Weight (g) - 2.95
Precision - A1
Standard Clearance - K25
Material - Martensitic Stainless Steel
Also available in 52100 Chrome Steel
ABEC Grades 1, 3, 5, 7, and 9 are available. Also, the equivalent ISO classes.
Two rubber seals = (2RS), also available with a single rubber seal = (RS).
Also available with two PTFE seals = (TT), or with a single PTFE seal = (T)
Also available with two light contact rubber seals = (2RU), or with a single light contact rubber seal = (RU)
| 
																Производитель
															 | AST | 
| 
																Ширина B
															 | 5 | 
| 
																Внешний диаметр D
															 | 14 | 
| 
																Внутренний диаметр d
															 | 7 | 
| 
																Размер
															 | 7x14x5 | 
| 
																Вес, кг
															 | 2.95 | 
| 
																Модель
															 | 687H-2RS-AST | 
| 
																SKU
															 | 687H-2RS-AST | 
| 
																Dw диаметр ролика
															 | 2.0000 | 
Похожие по размеру
Оформить заказ на нашем сайте легко. Просто добавьте выбранные товары в корзину, а затем перейдите на страницу Корзина, проверьте правильность заказанных позиций и нажмите кнопку «Оформить заказ» или «Быстрый заказ».
Функция «Быстрый заказ» позволяет покупателю не проходить всю процедуру оформления заказа самостоятельно. Вы заполняете форму, и через короткое время вам перезвонит менеджер магазина. Он уточнит все условия заказа, ответит на вопросы, касающиеся качества товара, его особенностей. А также подскажет о вариантах оплаты и доставки.
По результатам звонка, пользователь либо, получив уточнения, самостоятельно оформляет заказ, укомплектовав его необходимыми позициями, либо соглашается на оформление в том виде, в котором есть сейчас. Получает подтверждение на почту или на мобильный телефон и ждёт доставки.
Если вы уверены в выборе, то можете самостоятельно оформить заказ, заполнив по этапам всю форму.
Выберите из списка название вашего региона и населённого пункта. Если вы не нашли свой населённый пункт в списке, выберите значение «Другое местоположение» и впишите название своего населённого пункта в графу «Город». Введите правильный индекс.
	 В зависимости от места жительства вам предложат варианты доставки. Выберите любой удобный способ. 
	
	Оплата
Выберите оптимальный способ оплаты.
Введите данные о себе: ФИО, адрес доставки, номер телефона. В поле «Комментарии к заказу» введите сведения, которые могут пригодиться курьеру, например: подъезды в доме считаются справа налево.
Проверьте правильность ввода информации: позиции заказа, выбор местоположения, данные о покупателе. Нажмите кнопку «Оформить заказ».
Наш сервис запоминает данные о пользователе, информацию о заказе и в следующий раз предложит вам повторить к вводу данные предыдущего заказа. Если условия вам не подходят, выбирайте другие варианты.

 
                                            
                                        