- Технические характеристики и другая информация предоставляются для справки.
- Чертежи и изображения представлены для ознакомления
Подшипники шариковые радиальные метрическая серия из нержавеющей стали 628H-2RS
Подшипники шариковые радиальные метрическая серия из нержавеющей стали 628H-2RS его строение включает в себя наружную шину, тела качения, сепаратор из штампованной стали, латуни или полиамида, центрирующийся по шарикам либо бортикам внешнего кольца. Устройство является неразборным и полностью готово к монтажу. Существуют также обслуживаемые и необслуживаемые варианты (в первом случае в корпусе детали имеется специальное смазочное отверстие, через которое происходит подача смазки, расходуемой в процессе работы). Закрытые модели дополнительно усилены уплотняющими шайбами или уплотнениями и не требуют обслуживания. В изделии также могут присутствовать узкие, широкие и средние зазоры.
Каковы характерные особенности Подшипники шариковые радиальные метрическая серия из нержавеющей стали 628H-2RS?
- Рассчитан на восприятие серьезных аксиальных и незначительных осевых нагрузок.
- Обладает низким коэффициентом трения, за счет чего возможно вращение на максимально допустимых скоростях и более длительный срок эксплуатации в сравнении с аналогами.
- Отличается высокой грузоподъемностью и склонностью к самоцентрированию, что дает возможность выравнивать перекосы во время монтажа.
Приобретайте выгодно Подшипники шариковые радиальные метрическая серия из нержавеющей стали 628H-2RS ГОСТ или его (аналоги ISO), а также иную продукцию от мировых промышленных брендов FAG, KOYO, NSK, SKF, SNR на нашем веб-сайте!
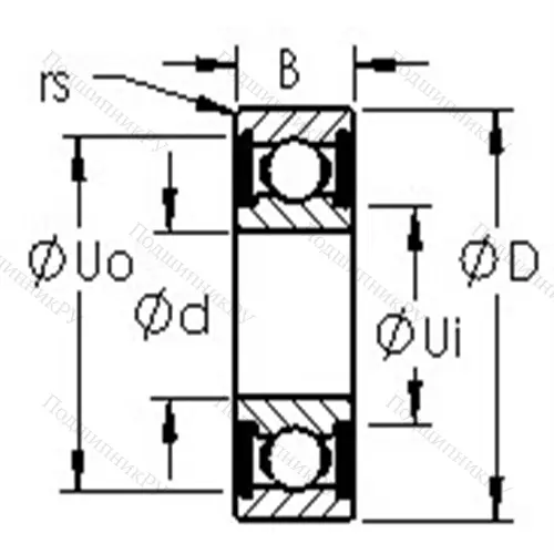
Технические характеристики
Обозначение : 628H-2RS
Размеры, мм : 8x24x8
Производитель : AST
Диаметр внутренний, мм : 8
Диаметр наружный, мм : 24
Высота, мм : 8
Технические данные из каталога производителя :
(размеры в мм)
Bearing Type - Sealed
Bore Dia (d) - 8.0000
Outer Dia (D) - 24.0000
Width (B) - 8.0000
Radius (min) (rs) - 0.300
Dynamic Load Rating (Cr) - 2,833
Static Load Rating (Cor) - 1,138
Max Speed (Grease) (X1000 RPM) - 28
Max Speed (Oil) (X1000 RPM) - 34
Max. Shaft Shoulder Dia. Inner (Ui) - 11.9
Min. Housing Shoulder Dia., Outer (Uo) - 19.900
Ball Qty - 7
Ball Dia (Dw) - 3.9690
Weight (g) - 18.50
Precision - A1
Standard Clearance - K25
Material - Martensitic Stainless Steel
Also available in 52100 Chrome Steel
ABEC Grades 1, 3, 5, 7, and 9 are available. Also, the equivalent ISO classes.
Two rubber seals = (2RS), also available with a single rubber seal = (RS).
Also available with two light contact rubber seals = (2RU), or with a single light contact rubber seal = (RU)
|
Производитель
|
AST |
|
Ширина B
|
8 |
|
Внешний диаметр D
|
24 |
|
Внутренний диаметр d
|
8 |
|
Размер
|
8x24x8 |
|
Вес, кг
|
18.50 |
|
Модель
|
628H-2RS-AST |
|
SKU
|
628H-2RS-AST |
|
Dw диаметр ролика
|
3.9690 |
Похожие по размеру
Оформить заказ на нашем сайте легко. Просто добавьте выбранные товары в корзину, а затем перейдите на страницу Корзина, проверьте правильность заказанных позиций и нажмите кнопку «Оформить заказ» или «Быстрый заказ».
Функция «Быстрый заказ» позволяет покупателю не проходить всю процедуру оформления заказа самостоятельно. Вы заполняете форму, и через короткое время вам перезвонит менеджер магазина. Он уточнит все условия заказа, ответит на вопросы, касающиеся качества товара, его особенностей. А также подскажет о вариантах оплаты и доставки.
По результатам звонка, пользователь либо, получив уточнения, самостоятельно оформляет заказ, укомплектовав его необходимыми позициями, либо соглашается на оформление в том виде, в котором есть сейчас. Получает подтверждение на почту или на мобильный телефон и ждёт доставки.
Если вы уверены в выборе, то можете самостоятельно оформить заказ, заполнив по этапам всю форму.
Выберите из списка название вашего региона и населённого пункта. Если вы не нашли свой населённый пункт в списке, выберите значение «Другое местоположение» и впишите название своего населённого пункта в графу «Город». Введите правильный индекс.
В зависимости от места жительства вам предложат варианты доставки. Выберите любой удобный способ.
Оплата
Выберите оптимальный способ оплаты.
Введите данные о себе: ФИО, адрес доставки, номер телефона. В поле «Комментарии к заказу» введите сведения, которые могут пригодиться курьеру, например: подъезды в доме считаются справа налево.
Проверьте правильность ввода информации: позиции заказа, выбор местоположения, данные о покупателе. Нажмите кнопку «Оформить заказ».
Наш сервис запоминает данные о пользователе, информацию о заказе и в следующий раз предложит вам повторить к вводу данные предыдущего заказа. Если условия вам не подходят, выбирайте другие варианты.
