- Технические характеристики и другая информация предоставляются для справки.
- Чертежи и изображения представлены для ознакомления
Подшипник шариковый радиальный SM 1204KB
Подшипник шариковый радиальный SM1204KB его строение включает в себя наружную шину, тела качения, сепаратор из штампованной стали, латуни или полиамида, центрирующийся по шарикам либо бортикам внешнего кольца. Устройство является неразборным и полностью готово к монтажу. Существуют также обслуживаемые и необслуживаемые варианты (в первом случае в корпусе детали имеется специальное смазочное отверстие, через которое происходит подача смазки, расходуемой в процессе работы). Закрытые модели дополнительно усилены уплотняющими шайбами или уплотнениями и не требуют обслуживания. В изделии также могут присутствовать узкие, широкие и средние зазоры.
Каковы характерные особенности Подшипник шариковый радиальный SM1204KB?
- Рассчитан на восприятие серьезных аксиальных и незначительных осевых нагрузок.
- Обладает низким коэффициентом трения, за счет чего возможно вращение на максимально допустимых скоростях и более длительный срок эксплуатации в сравнении с аналогами.
- Отличается высокой грузоподъемностью и склонностью к самоцентрированию, что дает возможность выравнивать перекосы во время монтажа.
Приобретайте выгодно Подшипник шариковый радиальный SM1204KB ГОСТ или его (аналоги ISO), а также иную продукцию от мировых промышленных брендов FAG, KOYO, NSK, SKF, SNR на нашем веб-сайте!
Технические характеристики
Обозначение : SM1204KB
Размеры, мм : 57.15x110x61.91
Производитель : Timken
Диаметр внутренний, мм : 57,15
Диаметр наружный, мм : 110
Высота, мм : 61,91
Технические данные из каталога производителя :
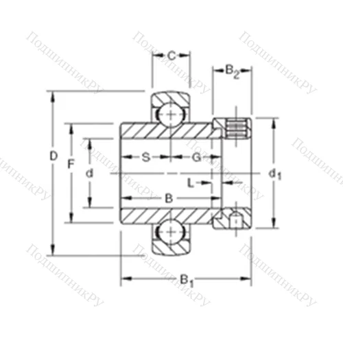
Внутренний диаметр (d) - 57,15 мм.
Наружный диаметр (D) - 110 мм.
Ширина (высота) (B) - 61,91 мм.
Ширина наружной обоймы (C) - 22 мм.
Размер (d1) - 84,14 мм.
Размер (B1) - 77,8 мм.
Размер (B2) - 22,33 мм.
Размер (F) - 76,48 мм.
Размер (G) - 30,96 мм.
Размер (L) - 6,4
Размер (S) - 30,96 мм.
Масса - 1,86 Кг
Грузоподъемность динамическая (C) - 58,5 кН
Грузоподъемность статическая (C0) - 35,6 кН
Количество дорожек качения - 1
Уплотнение - Нет
| 
																Производитель
															 | TIMKEN | 
| 
																Ширина B
															 | 61 | 
| 
																Внешний диаметр D
															 | 110 | 
| 
																Внутренний диаметр d
															 | 57 | 
| 
																Размер
															 | 57x110x61 | 
| 
																Вес, кг
															 | 1.86 | 
| 
																Модель
															 | SM1204KB-TIMKEN | 
| 
																SKU
															 | SM1204KB-TIMKEN | 
| 
																Диаметр вала d1
															 | 84,14 мм. | 
Похожие по размеру
Оформить заказ на нашем сайте легко. Просто добавьте выбранные товары в корзину, а затем перейдите на страницу Корзина, проверьте правильность заказанных позиций и нажмите кнопку «Оформить заказ» или «Быстрый заказ».
Функция «Быстрый заказ» позволяет покупателю не проходить всю процедуру оформления заказа самостоятельно. Вы заполняете форму, и через короткое время вам перезвонит менеджер магазина. Он уточнит все условия заказа, ответит на вопросы, касающиеся качества товара, его особенностей. А также подскажет о вариантах оплаты и доставки.
По результатам звонка, пользователь либо, получив уточнения, самостоятельно оформляет заказ, укомплектовав его необходимыми позициями, либо соглашается на оформление в том виде, в котором есть сейчас. Получает подтверждение на почту или на мобильный телефон и ждёт доставки.
Если вы уверены в выборе, то можете самостоятельно оформить заказ, заполнив по этапам всю форму.
Выберите из списка название вашего региона и населённого пункта. Если вы не нашли свой населённый пункт в списке, выберите значение «Другое местоположение» и впишите название своего населённого пункта в графу «Город». Введите правильный индекс.
	 В зависимости от места жительства вам предложат варианты доставки. Выберите любой удобный способ. 
	
	Оплата
Выберите оптимальный способ оплаты.
Введите данные о себе: ФИО, адрес доставки, номер телефона. В поле «Комментарии к заказу» введите сведения, которые могут пригодиться курьеру, например: подъезды в доме считаются справа налево.
Проверьте правильность ввода информации: позиции заказа, выбор местоположения, данные о покупателе. Нажмите кнопку «Оформить заказ».
Наш сервис запоминает данные о пользователе, информацию о заказе и в следующий раз предложит вам повторить к вводу данные предыдущего заказа. Если условия вам не подходят, выбирайте другие варианты.

 
                                            
                                        