- Технические характеристики и другая информация предоставляются для справки.
- Чертежи и изображения представлены для ознакомления
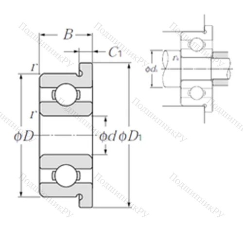
Подшипник шариковый радиальный FL 624
Подшипник шариковый радиальный FL624 его строение включает в себя наружную шину, тела качения, сепаратор из штампованной стали, латуни или полиамида, центрирующийся по шарикам либо бортикам внешнего кольца. Устройство является неразборным и полностью готово к монтажу. Существуют также обслуживаемые и необслуживаемые варианты (в первом случае в корпусе детали имеется специальное смазочное отверстие, через которое происходит подача смазки, расходуемой в процессе работы). Закрытые модели дополнительно усилены уплотняющими шайбами или уплотнениями и не требуют обслуживания. В изделии также могут присутствовать узкие, широкие и средние зазоры.
Каковы характерные особенности Подшипник шариковый радиальный FL624?
- Рассчитан на восприятие серьезных аксиальных и незначительных осевых нагрузок.
- Обладает низким коэффициентом трения, за счет чего возможно вращение на максимально допустимых скоростях и более длительный срок эксплуатации в сравнении с аналогами.
- Отличается высокой грузоподъемностью и склонностью к самоцентрированию, что дает возможность выравнивать перекосы во время монтажа.
Приобретайте выгодно Подшипник шариковый радиальный FL624 ГОСТ или его (аналоги ISO), а также иную продукцию от мировых промышленных брендов FAG, KOYO, NSK, SKF, SNR на нашем веб-сайте!
Технические характеристики
Обозначение : FL624
Размеры, мм : 4x15x5
Производитель : NTN
Диаметр внутренний, мм : 4
Диаметр наружный, мм : 15
Высота, мм : 5
Технические данные из каталога производителя :
Внутренний диаметр (d) - 4 мм.
Наружный диаметр (D) - 13 мм.
Наружный диаметр (D1) - 15
Ширина (высота) (B) - 5 мм.
Размер (r min.) - 0,2 мм.
Размер (C1) - 1 мм.
Размер сопряженных деталей (da min.) - 5,6
Размер сопряженных деталей (da max) - 6,2
Размер сопряженных деталей (Da max.) - 11,4
Размер сопряженных деталей (ra max.) - 0,2
Масса - 3,5 Кг
Грузоподъемность динамическая (C) - 1,31 кН
Грузоподъемность статическая (C0) - 0,49 кН
Частота вращения предельная при пластичной смазке - 42 000 об/мин
Частота вращения предельная при жидкой смазке - 49 000 об/мин
Расчетный коэффициент (f0) - 12,4
Количество дорожек качения - 1
Уплотнение - Нет
|
Производитель
|
NTN |
|
Ширина B
|
5 |
|
Внешний диаметр D
|
13 |
|
Внутренний диаметр d
|
4 |
|
Размер
|
4x13x5 |
|
Вес, кг
|
3.5 |
|
Модель
|
FL624-NTN |
|
SKU
|
FL624-NTN |
Похожие по размеру
Оформить заказ на нашем сайте легко. Просто добавьте выбранные товары в корзину, а затем перейдите на страницу Корзина, проверьте правильность заказанных позиций и нажмите кнопку «Оформить заказ» или «Быстрый заказ».
Функция «Быстрый заказ» позволяет покупателю не проходить всю процедуру оформления заказа самостоятельно. Вы заполняете форму, и через короткое время вам перезвонит менеджер магазина. Он уточнит все условия заказа, ответит на вопросы, касающиеся качества товара, его особенностей. А также подскажет о вариантах оплаты и доставки.
По результатам звонка, пользователь либо, получив уточнения, самостоятельно оформляет заказ, укомплектовав его необходимыми позициями, либо соглашается на оформление в том виде, в котором есть сейчас. Получает подтверждение на почту или на мобильный телефон и ждёт доставки.
Если вы уверены в выборе, то можете самостоятельно оформить заказ, заполнив по этапам всю форму.
Выберите из списка название вашего региона и населённого пункта. Если вы не нашли свой населённый пункт в списке, выберите значение «Другое местоположение» и впишите название своего населённого пункта в графу «Город». Введите правильный индекс.
В зависимости от места жительства вам предложат варианты доставки. Выберите любой удобный способ.
Оплата
Выберите оптимальный способ оплаты.
Введите данные о себе: ФИО, адрес доставки, номер телефона. В поле «Комментарии к заказу» введите сведения, которые могут пригодиться курьеру, например: подъезды в доме считаются справа налево.
Проверьте правильность ввода информации: позиции заказа, выбор местоположения, данные о покупателе. Нажмите кнопку «Оформить заказ».
Наш сервис запоминает данные о пользователе, информацию о заказе и в следующий раз предложит вам повторить к вводу данные предыдущего заказа. Если условия вам не подходят, выбирайте другие варианты.
