- Технические характеристики и другая информация предоставляются для справки.
- Чертежи и изображения представлены для ознакомления
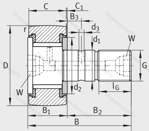
Подшипник KRV 35 PP A
Подшипник KRV 35 PP A включает в себя внешнее утолщенное кольцо, стержень со стальным краем и направляющие. Имеет роликовый игольчатый сепаратор и подкладную направляющую шину. Нагрузка на углах снижена за счет наличия выпуклой поверхности у внешней шины. Модель является обслуживаемой, поэтому на поверхности предусмотрены специальные отверстия для подачи внутрь смазочного материала.
Почему покупают Подшипник KRV 35 PP A?
- Обладает повышенной стойкостью к радиальнонаправленным векторам приложения сил. Также выдерживает малые осевые перекосы, которые происходят вследствие смещения вала во время эксплуатации.
- Резьба на ножке обеспечивает легкую и простую установку, быстрый демонтаж изделия при необходимости его починки, замены.
- Устанавливается в линейных направляющих, компенсаторах, конвейерных системах и так далее.
- За счет наличия пространства между подшипниковыми телами отсутствует необходимость в частом обслуживании и увеличен максимально возможный пик эксплуатационных нагрузок.
- Рабочий температурный диапазон находится в пределах от -30С до +80С.
Заказывайте выгодно Подшипник KRV 35 PP A ГОСТ или его (аналог ISO) и другую продукцию FAG, KOYO, NSK, SKF, SNR на нашем сайте!
| Бренд | INA |
| Страна производитель | ГЕРМАНИЯ |
| Внутренний диаметр d | 16 мм |
| Внешний диаметр D | 35 мм |
| Ширина B(H) | 18 мм |
|
Производитель
|
INA |
|
Ширина B
|
18 |
|
Внешний диаметр D
|
35 |
|
Внутренний диаметр d
|
16 |
|
Размер
|
16x35x18 |
|
Модель
|
KRV 35 PP A |
Похожие по размеру
Оформить заказ на нашем сайте легко. Просто добавьте выбранные товары в корзину, а затем перейдите на страницу Корзина, проверьте правильность заказанных позиций и нажмите кнопку «Оформить заказ» или «Быстрый заказ».
Функция «Быстрый заказ» позволяет покупателю не проходить всю процедуру оформления заказа самостоятельно. Вы заполняете форму, и через короткое время вам перезвонит менеджер магазина. Он уточнит все условия заказа, ответит на вопросы, касающиеся качества товара, его особенностей. А также подскажет о вариантах оплаты и доставки.
По результатам звонка, пользователь либо, получив уточнения, самостоятельно оформляет заказ, укомплектовав его необходимыми позициями, либо соглашается на оформление в том виде, в котором есть сейчас. Получает подтверждение на почту или на мобильный телефон и ждёт доставки.
Если вы уверены в выборе, то можете самостоятельно оформить заказ, заполнив по этапам всю форму.
Выберите из списка название вашего региона и населённого пункта. Если вы не нашли свой населённый пункт в списке, выберите значение «Другое местоположение» и впишите название своего населённого пункта в графу «Город». Введите правильный индекс.
В зависимости от места жительства вам предложат варианты доставки. Выберите любой удобный способ.
Оплата
Выберите оптимальный способ оплаты.
Введите данные о себе: ФИО, адрес доставки, номер телефона. В поле «Комментарии к заказу» введите сведения, которые могут пригодиться курьеру, например: подъезды в доме считаются справа налево.
Проверьте правильность ввода информации: позиции заказа, выбор местоположения, данные о покупателе. Нажмите кнопку «Оформить заказ».
Наш сервис запоминает данные о пользователе, информацию о заказе и в следующий раз предложит вам повторить к вводу данные предыдущего заказа. Если условия вам не подходят, выбирайте другие варианты.


