- Технические характеристики и другая информация предоставляются для справки.
- Чертежи и изображения представлены для ознакомления
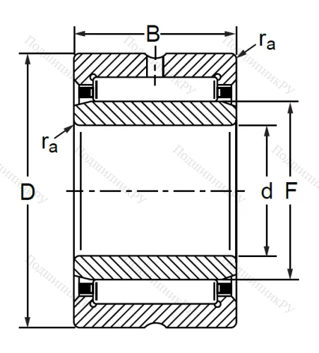
Игольчатый подшипник NA 4914 (4244914 К ГОСТ)
Такое строение как Игольчатый подшипник NA 4914 (4244914 К ГОСТ) характеризуется присутствием сепаратора, игольчатой формы роликов и толстостенного наружного кольца. Внутренняя шина отсутствует. В некоторых вариантах исполнения имеется только одна внешняя обойма или пара (при этом вторая поставляется отдельно в качестве дополнительного элемента). Существуют варианты с одним и двумя бортами, а также безбортовые иглоподшипники.
Чем отличается Игольчатый подшипник NA 4914 (4244914 К ГОСТ)?
- Чаще всего устанавливается в узлах, подверженных высоким скоростям вращения: например, на осях станков.
- Имеет компактные габариты, в особенности ширину, поэтому может монтироваться в точках с ограниченным рабочим пространством.
- Высокую прочность конструкции, ее долговечность и стойкость к износу при интенсивном использовании гарантируют нормативы международных стандартов ИСО и отечественные ГОСТы.
- Следует принять во внимание, что, как и прочие детали данной разновидности, модель не укомплектована обоймами из штампованной стали.
Позвоните нашим консультантам прямо сейчас, чтобы заказать Игольчатый подшипник NA 4914 (4244914 К ГОСТ) ГОСТ или его (аналог ISO), получить профессиональную консультацию по этой и другой продукции от компаний FAG, NSK, SNR, SKF, KOYO!
| Бренд | CRAFT |
| Страна производитель | СИНГАПУР |
| Внутренний диаметр d | 70 мм |
| Внешний диаметр D | 100 мм |
| Ширина B(H) | 30 мм |
|
Производитель
|
CRAFT |
|
Ширина B
|
30 |
|
Внешний диаметр D
|
100 |
|
Внутренний диаметр d
|
70 |
|
Размер
|
70x100x30 |
|
Модель
|
NA 4914 (4244914 К ГОСТ) |
Похожие по размеру
Оформить заказ на нашем сайте легко. Просто добавьте выбранные товары в корзину, а затем перейдите на страницу Корзина, проверьте правильность заказанных позиций и нажмите кнопку «Оформить заказ» или «Быстрый заказ».
Функция «Быстрый заказ» позволяет покупателю не проходить всю процедуру оформления заказа самостоятельно. Вы заполняете форму, и через короткое время вам перезвонит менеджер магазина. Он уточнит все условия заказа, ответит на вопросы, касающиеся качества товара, его особенностей. А также подскажет о вариантах оплаты и доставки.
По результатам звонка, пользователь либо, получив уточнения, самостоятельно оформляет заказ, укомплектовав его необходимыми позициями, либо соглашается на оформление в том виде, в котором есть сейчас. Получает подтверждение на почту или на мобильный телефон и ждёт доставки.
Если вы уверены в выборе, то можете самостоятельно оформить заказ, заполнив по этапам всю форму.
Выберите из списка название вашего региона и населённого пункта. Если вы не нашли свой населённый пункт в списке, выберите значение «Другое местоположение» и впишите название своего населённого пункта в графу «Город». Введите правильный индекс.
В зависимости от места жительства вам предложат варианты доставки. Выберите любой удобный способ.
Оплата
Выберите оптимальный способ оплаты.
Введите данные о себе: ФИО, адрес доставки, номер телефона. В поле «Комментарии к заказу» введите сведения, которые могут пригодиться курьеру, например: подъезды в доме считаются справа налево.
Проверьте правильность ввода информации: позиции заказа, выбор местоположения, данные о покупателе. Нажмите кнопку «Оформить заказ».
Наш сервис запоминает данные о пользователе, информацию о заказе и в следующий раз предложит вам повторить к вводу данные предыдущего заказа. Если условия вам не подходят, выбирайте другие варианты.


